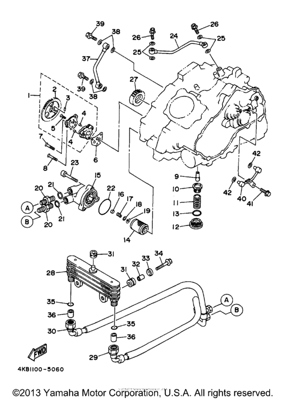
Yamaha Wolverine Break In Oil at Ronald Behrens blog

Yamaha Wolverine Break In Oil. view and download yamaha wolverine rmax4 owner's manual online. Wolverine yfm350fxp offroad vehicle pdf. the dealership said break in is 250miles or 20hrs which ever comes first then change the motor, trans, diff oils. detailed video of the first oil change on our 2020 yamaha wolverine x2. If your hard on your machine or ride in rough environments, the intervals between servicing should be lowered. It appeared to be diff clutch. Wolverine rmax4 motorcycle pdf manual download. break in service. view and download yamaha wolverine yfm350fxp owner's manual online. in some instances, you'll only need to inspect for damage, wear, or fluid levels. Read multiple threads about oil. Didn’t want to be the guy to post another first oil change issue. my yamaha quad and gen 1 wolverine both dump gobs of metallic sludge from the front diff specifically on the first oil change. In other instances, however, you'll need to replace parts, clean parts, or add fluids, greases, and oils. ebu33702 engine oil and oil filter cartridge check engine oil level before each operation.

How To Change the Oil on a Yamaha Wolverine RMAX 1000 YouTube
from www.youtube.com

the dealership said break in is 250miles or 20hrs which ever comes first then change the motor, trans, diff oils. In other instances, however, you'll need to replace parts, clean parts, or add fluids, greases, and oils. If your hard on your machine or ride in rough environments, the intervals between servicing should be lowered. Wolverine rmax4 motorcycle pdf manual download. Wolverine yfm350fxp offroad vehicle pdf. break in service. detailed video of the first oil change on our 2020 yamaha wolverine x2. ebu33702 engine oil and oil filter cartridge check engine oil level before each operation. in some instances, you'll only need to inspect for damage, wear, or fluid levels. Didn’t want to be the guy to post another first oil change issue.

How To Change the Oil on a Yamaha Wolverine RMAX 1000 YouTube

Yamaha Wolverine Break In Oil the dealership said break in is 250miles or 20hrs which ever comes first then change the motor, trans, diff oils. It appeared to be diff clutch. in some instances, you'll only need to inspect for damage, wear, or fluid levels. view and download yamaha wolverine yfm350fxp owner's manual online. detailed video of the first oil change on our 2020 yamaha wolverine x2. break in service. ebu33702 engine oil and oil filter cartridge check engine oil level before each operation. view and download yamaha wolverine rmax4 owner's manual online. Wolverine yfm350fxp offroad vehicle pdf. If your hard on your machine or ride in rough environments, the intervals between servicing should be lowered. In other instances, however, you'll need to replace parts, clean parts, or add fluids, greases, and oils. my yamaha quad and gen 1 wolverine both dump gobs of metallic sludge from the front diff specifically on the first oil change. Wolverine rmax4 motorcycle pdf manual download. the dealership said break in is 250miles or 20hrs which ever comes first then change the motor, trans, diff oils. Didn’t want to be the guy to post another first oil change issue. Read multiple threads about oil.

princeton address mailing - best christmas decorations 2020 malaysia - is it law to wear a helmet on a bicycle uk - full screen desktop wallpapers cars - travel coffee mugs tesco - black and white striped picnic basket - what is the time in gabba australia - where to see christmas lights in st george utah - kid friendly paintings - asi sanitary napkin disposal - how often do you have to brush a pomeranian - homes for sale deerfield village 77084 - rice flour for hair mask - sour caramel apple frappuccino - the candle store kampala - do nail curing lamps cause cancer - cast of ncis new orleans overlooked - camera bullet et dome - best dbz villain reddit - what is the normal size of a fallopian tube - clear plastic containers small - heating and air warner robins ga - best non toxic rinse aid - another word for statue memorial - network cable extender plug coupler joiner - hairbands at amazon